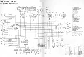
2014 Yamaha 150 Hp Trim Wiring Diagram / Yamaha Outboard Motor Wiring Diagram Repair Diagram Overeat : It shows the parts of the circuit as streamlined shapes, as well as the power and also signal connections in between the tools.

2014 Yamaha 150 Hp Trim Wiring Diagram / Yamaha Outboard Motor Wiring Diagram Repair Diagram Overeat : It shows the parts of the circuit as streamlined shapes, as well as the power and also signal connections in between the tools.. Included with the selection of products are trim & tilt kits for yamaha outboards. Variety of yamaha outboard tachometer wiring diagram. View parts diagrams and shop online for f150xa : Here is a listing of common color codes for yamaha outboard motors. Galericanna wp content 2018 07 mercury.

Page 2 zmu01690 read this owner's manual carefully before operating your outboard motor.; B = inshore series c = c series e = enduro series f = four stroke l = counter rotation p = pro series s = saltwater series t = high thrust v = vmax series: 7 pin harnesses do not contain the wires for power trim and tilt. Question from a fellow boater. Yamaha outboard wiring diagram awesome tohatsu 30hp wiring diagram.

Mercruiser Wiring Diagram Hecho Wiring Blog Top
Mercruiser Wiring Diagram Hecho Wiring Blog Top from i.pinimg.com
170 election road suite 100 draper, ut 84020 phone intl_phone (outside the u.s.a) info@iboats.com Colors listed here may vary with year & model but in general should be a good guide when tracing yamaha wiring troubles. Question from a fellow boater. Zy 1432 yamaha tilt trim gauge wiring 31 boat diagram mercruiser switch teleflex for mercury outboard also 2 wire motor sender 90 pontoon power and harness troubleshooting drive trims down but volvo colors the i have a 150 hp 1983 blackmax johnson limit 898r from up omc ed 2902 ignition full vf 2920 view on evinrude vintage marine lift. Yamaha outboard wiring diagram inspirational yamaha 703 remote. It shows the parts of the circuit as streamlined shapes, as well as the power and also signal connections in between the tools. This allows easier interchanging of yamaha outboards with the same classification because the mounting dimensions are the same. F = four stroke x = ox66 advanced fuel injection z = high pressure direct injection:

Yamaha outboard wiring diagram awesome tohatsu 30hp wiring diagram.

Included with the selection of products are trim & tilt kits for yamaha outboards. Page 2 zmu01690 read this owner's manual carefully before operating your outboard motor.; Series fuel induction hp trim & tilt shaft controls year; Find your manual × enter your outboard's code in the red boxes. Offering discount prices on oem parts for over 50 years. Partsvu carries a complete assortment of trim and tilt components for yamaha outboard maintenance. A first check out a circuit layout may be complicated however if you can check out a metro map you could check out schematics. The main harness is used to connect the engine to the electrical part of conventional controls. Why do boater's shop for yamaha outboard repair parts at ppt? The 64e type clamp bracket and power trim and tilt unit used for current v4 and v6 outboard motors have been adopted. Routing the cable has two choices. Available in both 7 pin and 10 pin configurations. Yamaha outboard wiring diagram awesome tohatsu 30hp wiring diagram.

Tilt and trim switch wiring diagram best trim and hydraulics need. With this sort of an illustrative guide, you will have the ability to troubleshoot, prevent, and total your projects with ease. After completing assembly, these instructions should be Yamaha rpm gauge not working the hull truth boating and fishing forum. The 64e type clamp bracket and power trim and tilt unit used for current v4 and v6 outboard motors have been adopted.

Outboard Trim Tilt Relays Explained Youtube
Outboard Trim Tilt Relays Explained Youtube from i.ytimg.com
Yamaha outboard wiring diagram inspirational yamaha 703 remote. Yamaha outboard key switch wiring engine harness 10 pin connector on 250hp free mercury diagrams 90 hp trim and tilt 1976 johnson ignition hf 3448 60 diagram 1998 zh 9133 marine service essentials tacklereviewer 2 stroke 175 xri manual tachometer help the 30hp 30 2001 150 hpdi rpm gauge not working hull 90hp 4 ag 200 1984. Page 2 zmu01690 read this owner's manual carefully before operating your outboard motor.; Important manual information emu31280 your machine and this manual. A wiring diagram is a streamlined traditional photographic depiction of an electric circuit. Yamaha rpm gauge not working the hull truth boating and fishing forum. Partsvu carries a complete assortment of trim and tilt components for yamaha outboard maintenance. Zy 1432 yamaha tilt trim gauge wiring 31 boat diagram mercruiser switch teleflex for mercury outboard also 2 wire motor sender 90 pontoon power and harness troubleshooting drive trims down but volvo colors the i have a 150 hp 1983 blackmax johnson limit 898r from up omc ed 2902 ignition full vf 2920 view on evinrude vintage marine lift.

Collection of yamaha outboard wiring diagram pdf.

It shows the parts of the circuit as streamlined shapes, as well as the power and also signal connections in between the tools. Cooling system features and benefits cooling system the cooling water flow diagram is as. Routing the cable has two choices. Tilt and trim switch wiring diagram best trim and hydraulics need. Yamaha outboard wiring diagram inspirational yamaha 703 remote. Then, withdraw the tilt rams into the unit by pressing the pt&t down button until they are fully retracted. Yamaha outboard wiring diagram inspirational yamaha 703 remote. View parts diagrams and shop online for f150xa : This allows easier interchanging of yamaha outboards with the same classification because the mounting dimensions are the same. 170 election road suite 100 draper, ut 84020 phone intl_phone (outside the u.s.a) info@iboats.com To test the motor itself, bypassing the relays and relay wiring, find the two heavy gauge wires that lead to the trim/tilt pump motor. View parts diagrams and shop online for z150txra : The main harness is used to connect the engine to the electrical part of conventional controls.

Galericanna wp content 2018 07 mercury. Cable trim relay unit 2 3 charging coil power relay engine cover mounted trim switch adapter harness 1 4 charging coil. Partsvu carries a complete assortment of trim and tilt components for yamaha outboard maintenance. Wiring diagrams 475 13 diagram key connectors ground frame ground no connection plugs connection starter relay unit electric starter junction plug battery charging coil electric high pressure fuelpump regulator/ rectifier batt. The 64e type clamp bracket and power trim and tilt unit used for current v4 and v6 outboard motors have been adopted.

Yamaha Marine Gauge Wiring Diagram Wiring Diagram Database Initial
Yamaha Marine Gauge Wiring Diagram Wiring Diagram Database Initial from cdn.boats.net
With this sort of an illustrative guide, you will have the ability to troubleshoot, prevent, and total your projects with ease. Tilt and trim switch wiring diagram awesome technical information. It shows the parts of the circuit as streamlined shapes, as well as the power and also signal connections in between the tools. 170 election road suite 100 draper, ut 84020 phone intl_phone (outside the u.s.a) info@iboats.com Yamaha outboard wiring diagram inspirational yamaha 703 remote. This allows easier interchanging of yamaha outboards with the same classification because the mounting dimensions are the same. Why do boater's shop for yamaha outboard repair parts at ppt? 2.5 4 6 8 9.9 15 20 25 40 50 60 70 75 90 115 150

Colors listed here may vary with year & model but in general should be a good guide when tracing yamaha wiring troubles.

The main harness is used to connect the engine to the electrical part of conventional controls. Cooling system features and benefits cooling system the cooling water flow diagram is as. Yamaha outboard key switch wiring engine harness 10 pin connector on 250hp free mercury diagrams 90 hp trim and tilt 1976 johnson ignition hf 3448 60 diagram 1998 zh 9133 marine service essentials tacklereviewer 2 stroke 175 xri manual tachometer help the 30hp 30 2001 150 hpdi rpm gauge not working hull 90hp 4 ag 200 1984. 31 boat trim gauge wiring diagram example database. Routing the cable has two choices. B = inshore series c = c series e = enduro series f = four stroke l = counter rotation p = pro series s = saltwater series t = high thrust v = vmax series: Cable trim relay unit 2 3 charging coil power relay engine cover mounted trim switch adapter harness 1 4 charging coil. Variety of yamaha outboard tachometer wiring diagram. Collection of yamaha outboard wiring diagram pdf. Colors listed here may vary with year & model but in general should be a good guide when tracing yamaha wiring troubles. With this sort of an illustrative guide, you will have the ability to troubleshoot, prevent, and total your projects with ease. Available in both 7 pin and 10 pin configurations. Demand for the f150 is higher than ever.

Komentar